最近人工智能已經傳得沸沸揚揚,尤其是機器人更是被吹得神乎其神,好像是馬上能夠取代人類,甚至將來能夠控制和操縱人類,最后的世界變成機器人的世界。其實這類的傳聞都是從科幻小說里搬過來的,只能起到嘩眾取寵的作用。而有些設備,像在流水線里的機器手,還只能完全按照規定的程序工作,并不能自動地跟上環境的變化而改變,只要環境有一點變化,它的工作就會出錯,因而不能算成智能設備,更不能稱為機器人。真正對我們具有實際意義的,還是從我們的現實工作中盡量采用智能技術來解決實際問題。
智能技術的核心就是自適應。凡是能夠根據環境的變化自動調整有關設備的工作,以得到最佳結果的技術就是自適應。采用自適應以后就可以改變傳統的技術,從而得到意想不到的結果。
智能型LED恒流源就是一個實例。
1.經典的線性恒流源
我們知道所有的電源都可以分為恒壓電源和恒流電源兩種,恒壓電源就是輸出電壓穩定,不隨輸入電壓和負載的變化而變化,而恒流電源則是輸出的電流恒定,不隨輸入電壓和負載的變化而變化。LED因為是一種半導體二極管,它的伏安特性具有負溫度系數,如果采用恒壓電源供電,就會使其電流越來越大而燒毀,所以必須采用恒流電源供電。而其實現方法,也有兩種,一種是開關型,另一種是線性型。開關型的優點是效率比較高(90%左右),缺點是元件數較多,可靠性低,體積大,成本高,而線性恒流源正好相反,元件數很少,可靠性高,體積很小,成本很低,缺點是效率很低,只有85%左右。
2.線性恒流源的效率
線性恒流源的效率隨輸入電壓的升高而降低。它的典型的效率曲線如圖1所示:

在市電電壓為220V時,它的效率只有85%。
但是,在輸入電壓越低的時候,效率就高,那么有沒有可能讓這種線性恒流源在220V的時候效率也很高呢?
這需要我們來詳細地研究線性恒流源的電路構成和性能。
3.采用普通恒流二極管的線性恒流源
最簡單的線性恒流源就是采用普通恒流二極管了,它的的電路如下圖所示:

圖中的CRD就是恒流二極管,圖上采用了幾個CRD并聯,以得到所需的恒流值,實際上現在有很多不同恒流值的恒流二極管可供選用,所以也不需要采用并聯的方法來得到所需的恒流值了。所以只要采用一個恒流值相當的恒流二極管和所有LED相串聯就可以實現對LED的恒流供電,可見它的電路是十分簡單的!
它的工作原理可以從它的伏安特性中看出:

它可以在Vk一直到POV很大的輸入直流電壓范圍內都保持電流恒定。而Vk的絕對值低于3V,假定整流后的直流電壓為300V,恒流值為0.1A,那么總功率為30W,如果LED串的總電壓也正好接近300V,而使恒流二極管工作于Vk點,那么它消耗的功率就只有0.3W,其效率為(30-0.3)/30=99%。
但是當輸入電壓增加的時候,恒流二極管就必須承擔起消耗這些多余電壓的功能,它的工作點就右移,而功耗就逐漸增大,整體的效率也就逐漸降低,表現為其效率的線性下降。
由此可知,采用恒流二極管的低效率特性是天生的,所有恒流二極管都必須采用帶有很大散熱片的管殼封裝,看上去似乎無法避免的。
這也是一般教科書里就是那么說的。
4.采用自適應方法來提高線性恒流源的效率為了提高線性恒流源的效率必須想出完全不同的途徑。
因為我們的應用是對LED的供電,LED就是我們的線性恒流源的負載。它的數目就必須滿足整流后的電壓輸出,例如,假定整流后的電壓是300V,每顆LED的正向電壓為3V,那么就需要100顆LED相串聯。當市電電壓增加時,整流后的電壓也增加,但是LED是由恒流源供電的,所以它的正向電壓不會變,所增加的整流后電壓就必須由恒流二極管來承擔,這樣整體效率就必然降低。
那么有沒有辦法不要讓恒流二極管來承擔這個整流后電壓的升高呢?
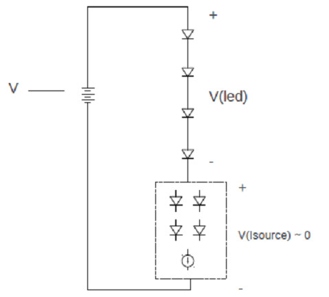
最好的解決方法就是自適應地改變LED的數目。當市電電壓升高時,就增加LED的個數,當市電電壓降低時,就減少LED的數目,這可以很容易采用一種自適應的數字式開關電路來實現。它的原理圖如下所示。

其中方塊中的這部分LED就是可以自適應地接入到主串LED中,也可以從主串中自適應地斷開。接入或斷開的個數由輸入電壓變化的大小而決定。它能感知輸入電壓的變化,并由此來決定LED數目的變化,所以它是自適應的,也可以說是智能的。
現在這種能夠自動開關的芯片已經由深圳埃菲萊公司開發成功,命名為AICS,意即Adaptive-Intelligence-Current-Source,也就是自適應-智能-電流-源。
5.智能型LED恒流源的性能
5.1對輸入電壓的自適應
如前所述,采用自適應控制以后,這種恒流源的效率可以高達99%。而且這個效率可以在很大的輸入電壓變化范圍內都能實現。下面就是效率和輸入電壓變化的關系曲線:

圖中藍色為恒流源本身的效率,紅色為加上整流器以后的總效率,在市電電壓在175V-265V內變化時,恒流源的效率都能保持99%不變,加上鎮流器的損耗也可以高于98%。
5.2對溫度的自適應
當環境溫度變化時,恒流二極管的功耗也會加大,例如當環境溫度升高時,由于LED伏安特性的負溫度系數,它的正向電壓也會降低,這時候LED串的總電壓就會低于整流后電壓,于是恒流二極管的壓降就會升高,功耗就會加大。這個智能的恒流源就會增加LED串中的LED數目,使得其總電壓升高,而使這個總電壓和整流后電壓仍然保持匹配從而保持高效率,其實測結果如下:

由圖中可以看到,當環境溫度從35度升高到85度時,整個效率隨輸入電壓變化曲線幾乎完全一樣,始終保持在98%以上(包括了整流器的效率在內)。
5.3對不同正向電壓的LED的自適應
這種智能型LED恒流源還有一個自適應的功能,就是對不同正向電壓的LED的自適應。在同一個LED串中,可以采用具有不同正向電壓的LED,混編以后,自適應智能LED恒流源仍然可以自動地切換LED數,以保證其總效率在99%。最近這個專利已經得到美國專利局的授權。
5.4改變LED的數目而不改變其光通量
如果只是改變LED的數目,由于恒流源的電流沒有改變,就會改變總的光通量。在智能型LED恒流源的整體設計中也考慮到這個問題,在改變LED數目的同時還自適應地改變恒流源的電流值,使得其總功率和總光通量不變。其結果如下:



由圖中可見,采用這種自適應調節以后,在不同的輸入電壓范圍內,其輸入功率,輸出光通量和整體光效都基本上保持不變。
6.光電一體化的光引擎
這種智能型LED恒流源徹底打破了教科書里描述的線性恒流源效率很低的常規認識,而破天荒地實現了99%的效率。從而可以實現把恒流源和光源放在同一塊鋁基板上,而做成光電一體化的光引擎。因為它本身的功耗極低,所以把它放到光源的鋁基板上不會增加LED的結溫。深圳埃菲萊公司采用這種智能型恒流源已經生產了一系列不同功率的光引擎:

7.結束語
這種智能型的LED恒流源的效率高達99%,這等于是說實現了一種不耗電的恒流源。通常LED恒流源的效率為85-90%,也就是說采用這種智能型的恒流源以后就可以進一步節能10-15%。其意義是十分重大的!
中國的照明用電量為總用電量的14.5%,2014年總發電量為56496億度電,即照明用電量為8191.9億度電。采用埃菲萊的光引擎以后至少可以節約10%的能量,也就是819.2億度電,而三峽發電站的年發電量為847億度電,所以也就能夠節約出一個三峽發電站來。而全球照明用電量占總用電量的19%,2014全球總發電量為238670億度電,所以照明用電量為45350億度電,采用埃菲萊的光引擎以后就可以節約4535億度電,相當于5.5個三峽電站的發電量!
